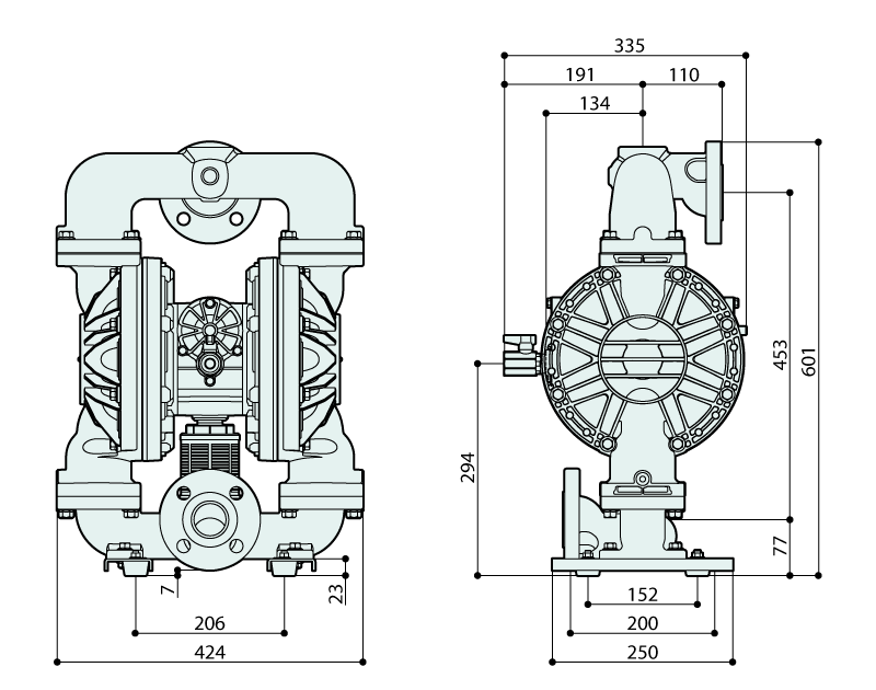
SPOOL AIR MOTOR
1 ½” Liquid connections Maximum 600L/min (158.5GPM)
3D viewer
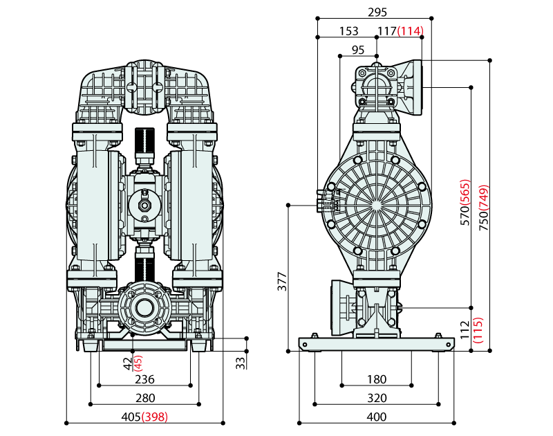
MECHANICAL AIR MOTOR (-M)
1½” Liquid connections Maximum 450L/min (118.9GPM)
3D viewer





























