Japanese Distributor

Menu

Product Information
HomeProduct InformationType 200 Models

Industrial Pumps

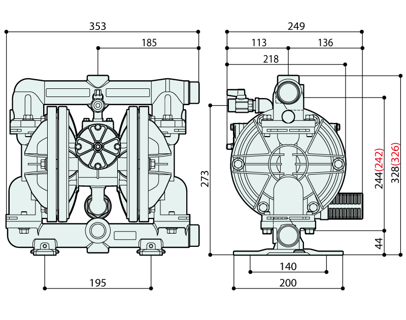
Type 200 Models

¾” Liquid connections Maximum 210L/min (55.5GPM)

  • 200G□J
  • 200A□
  • 200S□

Options

  • Optional Aluminium Air Motor

  • Optional Conductive PP Air Motor

3D viewer

Type 200
Model Name 200G□ 200GT・GW 200A□ ∙ S□ 200AT∙AW∙ST∙SW
Max Flow Rate 130 L/min 110 L/min 210 L/min 190 L/min
Connection Type Thread or Flange Thread
Connection Size Air Supply ¼” ⅜”
Air Exhaust ¾”
Liquid ¾” or 20A ※Side Port ¾” ※Center Port
Check Valve Type Ball
Max Solid Size 2mm or less 6.5mm or less
Supply Air Pressure Range 0.2 ~ 0.7MPa
Materials Wetted Body Glass Filled PP (CFPVDF) Aluminium, SUS
Air Motor Glass Filled PP Glass Filled PP, Aluminium, (CFPP)
Diaphragm CR, NBR, EPDM, FKM, TPEE, TPO PTFE, One-piece PTFE CR, NBR, EPDM, FKM, TPEE, TPO PTFE, One-piece PTFE

NEWS

PAGE TOP