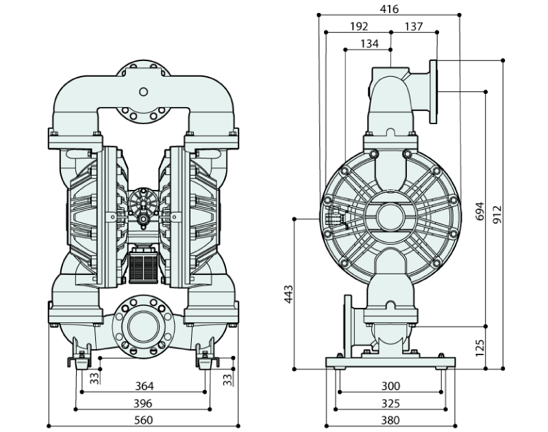
SPOOL AIR MOTOR
3″ Liquid connections Maximum 1,050L/min (277.4GPM)
3D viewer
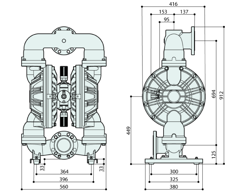
MECHANICAL AIR MOTOR (-M)
3″ Liquid connections Maximum 850L/min (224.6GPM)
3D viewer

























